《 Radix 受信用アンテナ 》

 

 

< 防災・業務無線受信用アンテナ >

MODEL RCV-150Y3 

 

 

 

型  式 3エレメント八木 受信周波数 146 〜 160 MHz
利  得 7.0 dBi 以上 インピーダンス50Ω
ブーム長 1,000 mm  F B 比 12 dB 以上
重  量 800 g コネクターM−J
受風面積 0.04 u 耐 風 速 瞬間最大風速 40 m/sec.
 適合マスト  φ25 o 〜 φ40 o / □25 o 〜 □30 o
標準価格 \16,200. (本体価格 \15,000)
備  考 ( 仕様は、予告無く変更する場合があります)


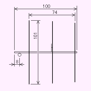
RCV-150Y3 の外観寸法

寸法は概算です (単位 cm)


15,Feb.,2018 by Radix, Inc. (info@radix-inc.com)