《 Radix 受信用アンテナ 》

 

 

< 気象衛星 "NOAA" 受信用アンテナ >

MODEL RCV-137Y3 

 

 

 

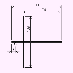
型  式 3エレメント八木 受信周波数 136 〜 138MHz
VSWR 1.8 以下 インピーダンス 50 Ω
利  得 8.5 dBi 以上 F B 比 18 dB 以上
ブーム長 1,000 mm  回転半径  950 o
重  量 800 g コネクター M−J
受風面積 0.04 u 耐 風 速 瞬間最大風速 40 m/sec.
 適合マスト  φ25 o 〜 φ40 o / □25 o 〜 □30 o
標準価格 \16,200. (本体価格 \15,000)
備  考 RCV-137Y3 は 受注生産品 です。
( 仕様は、予告無く変更する場合があります)


RCV-137Y3 の外観寸法

寸法は概算です (単位 cm)


15,Feb.,2018 by Radix, Inc. (info@radix-inc.com)