《 Radix 受信用アンテナ 》

 

 

< VHF帯航空無線受信用アンテナ >

 

MODEL RAB-101Y 

 

 

ケーブル付ですので、ハンディ・レシーバーと組み合わせて手持ちでの使用できます。

 

型  式 3エレメント八木 受信周波数 118 〜 136MHz
VSWR 1.8 以下 インピーダンス50 Ω
利  得 7.0 dBi 以上 F B 比 12 dB 以上
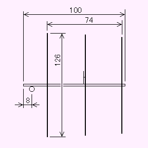
ブーム長 1,000 mm 回転半径  950 o
重  量 800 g コネクターM−J
受風面積 0.04 u 耐 風 速 瞬間最大風速 40 m/sec.
 適合マスト  φ25 o 〜 φ40 o / □25 o 〜 □30 o
付 属 品 RG-58/U 1.5m (MP-BNCPコネクター付)
標準価格 \12,960. (本体価格 \12,000)
備  考 ( 仕様は、予告無く変更する場合があります)


RAB-101Y の外観寸法

寸法は概算です (単位 cm)


15,Feb.,2018 by Radix, Inc. (info@radix-inc.com)